1125 Models Parts Catalog
2009
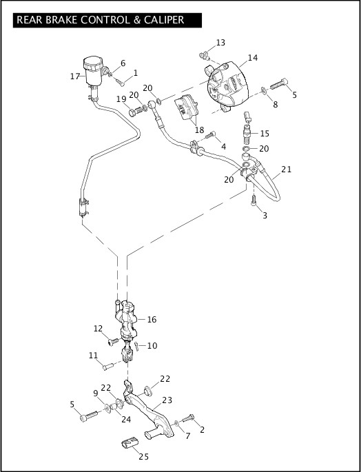
REAR BRAKE CONTROL & CALIPER
| Index No. | Part No. | Description | Models | Obselete |
|---|---|---|---|---|
| 1 | A04020.24CVB | SCREW | 1125CR, 1125R | Oct 2015 |
| 2 | A06020.1CBL | BOLT | 1125CR, 1125R | |
| 3 | A06020.2CVB | BOLT | 1125CR, 1125R | Oct 2015 |
| 4 | A08020.2CVB | SCREW | 1125CR, 1125R | Oct 2015 |
| 5 | A08030.2CVB | SCREW (2) | 1125CR, 1125R | Oct 2015 |
| 6 | B0409.1BL | WASHER | 1125CR, 1125R | Feb 2017 |
| 7 | B0613.1BL | WASHER | 1125CR, 1125R | Feb 2017 |
| 8 | B0816.2BL | WASHER (2) | 1125CR, 1125R | |
| 9 | B0820.2BL | WASHER | 1125CR, 1125R | Feb 2017 |
| 10 | C0148.T | COTTER PIN | 1125CR, 1125R | |
| 11 | C0232.TA | CLEVIS PIN | 1125CR, 1125R | |
| 12 | CA0030.1AMA | SCREW (2) | 1125CR, 1125R | |
| 13 | H0038.1AM | BLEEDER SCREW | 1125CR, 1125R | |
| 14 | H0102.1AM | CALIPER ASSEMBLY, w/ H0038.1AM & H0301.1AM | 1125CR, 1125R | |
| 15 | H0203.1AM | SWITCH, brake light | 1125CR, 1125R | |
| 16 | H0205.1AM | MASTER CYLINDER | 1125CR, 1125R | |
| 17 | H0206.1AM | RESERVOIR & HOSE ASSEMBLY | 1125CR, 1125R | Feb 2017 |
| 18 | H0301.1AM | BRAKE PAD SET | 1125CR, 1125R | |
| 19 | H0405.9B | BANJO BOLT | 1125CR, 1125R | |
| 20 | H0412.01A0 | WASHER (4) | 1125CR, 1125R | |
| 21 | H1522.1AMA | BRAKE LINE, rear w/ 15, 19 & 20 | 1125CR, 1125R | Jan 2017 |
| 22 | N0513.T | BEARING (2) | 1125CR, 1125R | |
| 23 | N0530.1AM | BRAKE PEDAL ASSEMBLY, w/ 2, 7, 22 & 25 | 1125CR, 1125R | Feb 2017 |
| 24 | N0599.02A8A | SLEEVE | 1125CR, 1125R | |
| 25 | N0600.1AM | TOEPEG, rubber | 1125CR, 1125R |