1125 Models Parts Catalog
2009
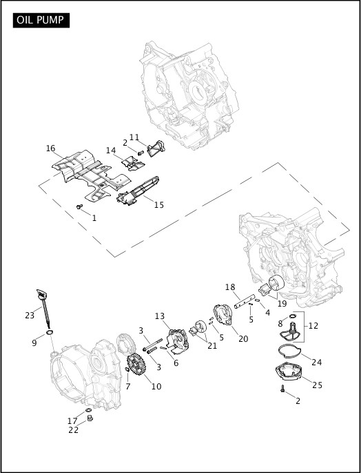
OIL PUMP
| Index No. | Part No. | Description | Models | Obselete |
|---|---|---|---|---|
| 1 | CA0049.1AM | SCREW (2) | 1125CR, 1125R | |
| 2 | CA0061.1AM | SCREW (9) | 1125CR, 1125R | |
| 3 | CA0068.1AM | SCREW (2) | 1125CR, 1125R | Oct 2015 |
| 4 | CC0004.1AM | NEEDLE PIN | 1125CR, 1125R | |
| 5 | CC0005.1AM | NEEDLE PIN (3) | 1125CR, 1125R | |
| 6 | CC0006.1AM | NEEDLE PIN | 1125CR, 1125R | |
| 7 | CE0001.1AM | RETAINING RING | 1125CR, 1125R | |
| 8 | CF0001.1AM | O-RING | 1125CR, 1125R | |
| 9 | CF0002.1AM | O-RING | 1125CR, 1125R | |
| 10 | Q0054.1AM | GEAR, oil pump, 37T | 1125CR, 1125R | Feb 2017 |
| 11 | Q0062.1AM | COVER, oil duct | 1125CR, 1125R | Feb 2017 |
| 12 | Q0063.1AM | OIL STRAINER | 1125CR, 1125R | Feb 2017 |
| 13 | Q0065.1AM | COVER, oil pump | 1125CR, 1125R | Feb 2017 |
| 14 | Q0081.1AM | ADAPTER, oil suction | 1125CR, 1125R | Feb 2017 |
| 15 | Q0083.1AM | COLLECTOR, oil | 1125CR, 1125R | Feb 2017 |
| 16 | Q0084.1AM | BAFFLE, oil sump | 1125CR, 1125R | Feb 2017 |
| 17 | Q0091.1AM | SEALING RING | 1125CR, 1125R | |
| 18 | Q0360.1AM | SHAFT, oil pump | 1125CR, 1125R | Feb 2017 |
| 19 | Q0361.1AM | ROTOR, inner & outer, scavage | 1125CR, 1125R | |
| 20 | Q0362.1AM | HOUSING, oil pump | 1125CR, 1125R | Feb 2017 |
| 21 | Q0363.1AM | ROTOR, inner & outer, pressure | 1125CR, 1125R | Feb 2017 |
| 22 | Q1050.1AM | DRAIN PLUG, w/ Q0091.1AM | 1125CR, 1125R | |
| 23 | Q1127.1AM | PLUG, oil filler w/ CF0002.1AM | 1125CR, 1125R | |
| 24 | R0007.1AM | SEAL | 1125CR, 1125R | |
| 25 | R0025.1AM | COVER, oil strainer | 1125CR, 1125R | Feb 2017 |