1125 Models Parts Catalog
2009
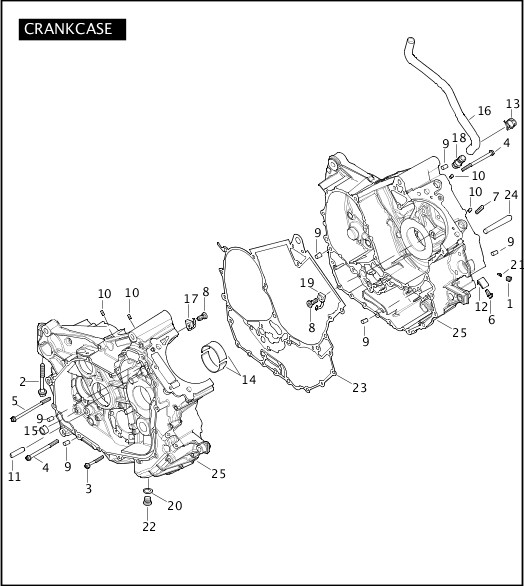
CRANKCASE
| Index No. | Part No. | Description | Models | Obselete |
|---|---|---|---|---|
| 1 | CA0032.1AM | PLUG, screw | 1125CR, 1125R | |
| 2 | CA0041.1AM | SCREW | 1125CR, 1125R | Feb 2017 |
| 3 | CA0066.1AM | SCREW, 45mm (8) | 1125CR, 1125R | |
| 4 | CA0068.1AM | SCREW, 85mm (15) | 1125CR, 1125R | Oct 2015 |
| 5 | CA0069.1AM | SCREW, 105mm (2) | 1125CR, 1125R | |
| 6 | CA0078.1AM | SCREW | 1125CR, 1125R | |
| 7 | CA0800.1AM | STUD | 1125CR, 1125R | Feb 2017 |
| 8 | CA0900.1AM | BANJO BOLT (2) | 1125CR, 1125R | Jan 2017 |
| 9 | CC0001.1AM | PIN (6) | 1125CR, 1125R | |
| 10 | CC0002.1AM | PIN (4) | 1125CR, 1125R | |
| 11 | CC0003.1AM | PIN | 1125CR, 1125R | |
| 12 | CM0003.1AM | CLAMP | 1125CR, 1125R | |
| 13 | CN0017.2AM | CLAMP | 1125CR, 1125R | |
| 14 | E0027.1AM | BEARING (4) | 1125CR, 1125R | |
| 15 | E0028.1AM | NEEDLE BUSHING | 1125CR, 1125R | |
| 16 | P1036.2AM | HOSE, engine breather | 1125CR, 1125R | |
| CL0002.1AM | WIRETIE, engine breather hose (not illustrated) | 1125CR, 1125R | ||
| Y0303.2B | WIRETIE, engine breather hose (not illustrated) | 1125CR, 1125R | ||
| 17 | Q0015.1AM | OIL NOZZLE ASSEMBLY, w/ CA0900.1AM | 1125CR, 1125R | Feb 2017 |
| 18 | Q0041.1AM | NIPPLE | 1125CR, 1125R | Feb 2017 |
| 19 | Q0075.1AMA | OIL NOZZLE ASSEMBLY, w/ CA0900.1AM | 1125CR, 1125R | Feb 2017 |
| 20 | Q0091.1AM | SEALING RING | 1125CR, 1125R | |
| 21 | Q0095.1AM | JET | 1125CR, 1125R | |
| 22 | Q1050.1AM | DRAIN PLUG, w/ Q0091.1AM | 1125CR, 1125R | |
| 23 | W0005.1AMA | GASKET | 1125CR, 1125R | |
| 24 | W0101.1AM | NEEDLE PIN | 1125CR, 1125R | |
| 25 | W1001.1AM | CRANKCASE ASSEMBLY, w/ 1, 4, 9, 10, 11, 14, 15, 21, 24, seals & bearings | 1125CR, 1125R |