XB12X Ulysses Parts Catalog
2007
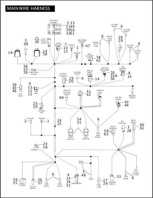
MAIN WIRE HARNESS
| Index No. | Part No. | Description | Models | Obselete |
|---|---|---|---|---|
| Y0136.1AKA | MAIN WIRE HARNESS | XB12X | ||
| 1 | 9825 | TERMINAL, ring (3) | XB12X | |
| 2 | 9838 | TERMINAL, ring, 1/4 in. double (2) | XB12X | |
| 3 | 9839 | TERMINAL, insulated (3) | XB12X | |
| 4 | 10065 | CABLE STRAP (2) | XB12X | |
| 5 | 31522-00C | RELAY (3) | XB12X | |
| 6 | 72064-94Y | TERMINAL (12) | XB12X | |
| 72064-06 | HOUSING, 3-way female (not illustrated) (3) | XB12X | ||
| 72094-06 | TERMINAL, female, 18 gauge (not illustrated) (3) | XB12X | ||
| 7 | 72103-94BK | CONNECTOR (black) | XB12X | |
| 8 | 72113-94BK | CONNECTOR, sealed (black) | XB12X | |
| 72119-94BK | CONNECTOR, 12-pin (black) (not illustrated) | XB12X | ||
| 9 | 72124-94GY | CONNECTOR (gray) | XB12X | |
| 72133-94GY | CONNECTOR, 3-pin (grey) (not illustrated) | XB12X | ||
| 72139-94GY | CONNECTOR, 12-pin (grey) (not illustrated) | XB12X | ||
| 10 | 72143-94 | LOCK, secondary | XB12X | |
| 11 | 72144-94 | SPACER | XB12X | |
| 72153-94 | SPACER (not illustrated) (2) | XB12X | ||
| 72159-94 | SPACER (not illustrated) (2) | XB12X | ||
| 12 | 72164-94 | SEAL, connector | XB12X | |
| 72173-94 | SEAL, connector (not illustrated) (2) | XB12X | ||
| 72179-94 | SEAL, connector (not illustrated) | XB12X | ||
| 13 | 72190-94 | TERMINAL (2) | XB12X | |
| 14 | 72191-94 | TERMINAL (6) | XB12X | |
| 15 | 72192-98 | TERMINAL (2) | XB12X | |
| 16 | 72234-94 | CONNECTOR ASSEMBLY, w/ seal (black) | XB12X | |
| 17 | 72238-94 | TPA, black (2) | XB12X | |
| 18 | 72280-95 | CONNECTOR, sensor, 3-way, w/ seal | XB12X | |
| 19 | 72291-94 | TERMINAL, female spade (14-16 gauge) | XB12X | |
| 20 | 72295-94 | HOUSING, starter connector | XB12X | |
| 21 | 72462-00 | FUSE, 10 amp (5) | XB12X | |
| 22 | 73102-96BK | CONNECTOR (black) | XB12X | |
| 23 | 73104-96BK | CONNECTOR, 4-pin (black) | XB12X | |
| 24 | 73108-96BK | PIN, housing 8-way (black) (2) | XB12X | |
| 25 | 73152-96BK | CONNECTOR (black) | XB12X | |
| 26 | 73153-96BK | CONNECTOR (black) | XB12X | |
| 27 | 73154-96WE | CONNECTOR (white) | XB12X | |
| 28 | 73190-96 | TERMINAL (23) | XB12X | |
| 29 | 73191-96 | TERMINAL (7) | XB12X | |
| C0178.3A8B | LABEL (not illustrated) | XB12X | ||
| 30 | Y0011.K | FUSE, 15A | XB12X | |
| 31 | Y0021.02A8 | BOOT, instrument cluster harness | XB12X | Apr 2017 |
| 32 | Y0023.1AD | MAIN FUSE, 30 AMP | XB12X | |
| Y0029.1AK | BRACKET, fuse/relay (not illustrated) | XB12X | ||
| 33 | Y0160.1AK | COVER, offset | XB12X | |
| 34 | Y0045.02A8 | CONNECTOR | XB12X | |
| 35 | Y0046.02A8 | TERMINAL | XB12X | |
| 36 | Y0053.02A8 | CONNECTOR, 2-pin (black) | XB12X | |
| 37 | Y0054.02A8 | TERMINAL (2) | XB12X | |
| 38 | Y0056.02A8 | TERMINAL, 14 gauge (3) | XB12X | |
| 39 | Y0060.02A8 | CONNECTOR, fuel pump | XB12X | Nov 2014 |
| 40 | Y0061.02A8 | CONNECTOR, 3-pin (black) | XB12X | Nov 2014 |
| 41 | Y0066.02A8 | CONNECTOR, 2-pin, w/ seal (black) | XB12X | |
| 42 | Y0067.02A8 | TERMINAL (2) | XB12X | |
| 43 | Y0071.02A8 | CONNECTOR, single w/ seal (black) | XB12X | |
| 44 | Y0072.02A8 | TERMINAL | XB12X | |
| 45 | Y0076.02A8 | SECONDARY LOCK | XB12X | Nov 2014 |
| 46 | Y0077.02A8 | PINS (4) | XB12X | |
| 47 | Y0081.02A8 | TERMINAL, eye | XB12X | |
| Y0082.02A8 | TERMINAL, eye (not illustrated) (2) | XB12X | ||
| 48 | Y0085.02A8 | CONNECTOR (3) | XB12X | |
| 49 | Y0091.02A8 | TERMINAL (10) | XB12X | |
| 50 | Y0092.02A8 | TERMINAL (2) | XB12X | |
| 51 | Y0095.02A8 | CONNECTOR (black) | XB12X | |
| 52 | Y0096.02A8 | TERMINAL, socket (12) | XB12X | |
| 53 | Y0097.02A8 | CONNECTOR, w/ seal (black) | XB12X | |
| 54 | Y0119.02A8 | CONNECTOR, injector, w/ seal (2) | XB12X | |
| 55 | Y0120.02A8 | TERMINAL (4) | XB12X | |
| 55A | Y0126.02A8 | TERMINAL & SEAL SET, voltage regulator (not part of wiring harness) (4) | XB12X | |
| 56 | Y0129.02A8 | CONNECTOR | XB12X | |
| 57 | Y0130.02A8 | TERMINAL, socket (3) | XB12X | |
| 58 | Y0131.02A8 | WIRE SEAL (3) | XB12X | |
| 59 | Y0132.02A8 | PLUG (black) (3) | XB12X | |
| 60 | Y0133.02A8 | CONNECTOR, 2-pin (black) | XB12X | |
| 61 | Y0134.02A8 | TERMINAL, socket (2) | XB12X | |
| 62 | Y0211.K | FUSE & DIODE ASSEMBLY | XB12X | |
| Y0225.1AK | COVER, lower, fuse/relay block (not illustrated) | XB12X | ||
| 63 | Y0226.1AK | CONNECTOR, 2-pin (gray) (2) | XB12X | |
| Y0228.1AK | TERMINAL, socket (not illustrated) (4) | XB12X | ||
| Y0317.1AK | CABLE, positive battery (not illustrated) | XB12X | Nov 2014 |
|
| Y0156.1AK | MAIN WIRE HARNESS (JAPAN) (not illustrated) | XB12X |