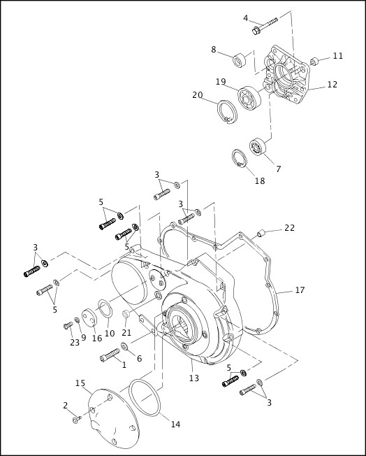
ACCESS DOOR & PRIMARY COVER
| Index No. |
Part No. |
Description |
Models |
Obselete |
| 1 |
897
|
SCREW (2) |
ALL |
|
| 2 |
943
|
SCREW, sems (4) |
ALL |
|
| 3 |
3480A
|
SCREW, sems (7) |
ALL |
|
| 4 |
3610
|
SCREW (5) |
ALL |
|
| 5 |
4717A
|
SCREW, sems (4) |
ALL |
|
| 6 |
6702
|
WASHER (2) |
ALL |
|
| 7 |
8998
|
BEARING |
ALL |
|
| 8 |
9187
|
BUSHING |
ALL |
|
| 9 |
11171
|
O-RING, inspection cover screws (2) |
ALL |
|
| 10 |
11188
|
O-RING, chain inspection cover |
ALL |
|
| 11 |
16573-83A
|
INSERT, access door (2) |
ALL |
|
| 12 |
25238-94
|
ACCESS DOOR ASSY, transmission, w/ 7, 8, 18, 19 & 20 |
ALL |
|
| 13 |
25430-94A
|
PRIMARY COVER (polished) |
ALL |
|
| 14 |
25463-94A
|
GASKET, clutch cover |
ALL |
|
| 15 |
34992-94
|
INSPECTION COVER, clutch |
ALL |
|
| 16 |
34993-90
|
INSPECTION COVER, chain |
ALL |
|
| 17 |
34955-89B
|
GASKET, primary cover |
ALL |
|
| 18 |
35021-89
|
RETAINING RING |
ALL |
|
| 19 |
35030-89A
|
BEARING |
ALL |
|
| 20 |
35038-89A
|
RETAINING RING |
ALL |
|
| 21 |
37101-84B
|
OIL SEAL |
ALL |
|
| 22 |
40520-63
|
BUSHING |
ALL |
|
| 23 |
41191-74A
|
SCREW, inspection covers (2) |
ALL |
|