1995-1996 Buell S2/S2T Thunderbolt Parts Catalog
1996
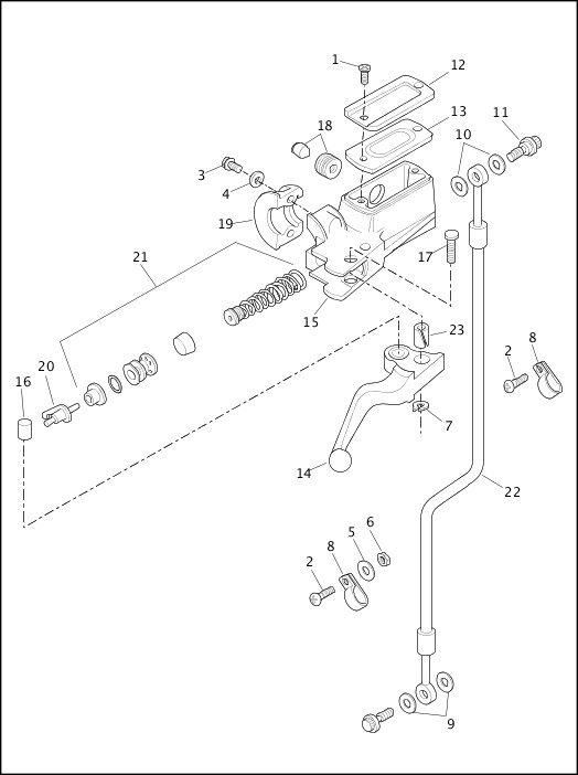
FRONT BRAKE CONTROL
| Index No. | Part No. | Description | Models | Obselete |
|---|---|---|---|---|
| 1 | 2579A | SCREW (2) | ALL | |
| 2 | 4365 | SCREW (2) | ALL | |
| 3 | 4015 | SCREW (2) | ALL | |
| 4 | 6099 | WASHER (2) | ALL | |
| 5 | BA0409.6BL | WASHER, plastic | ALL | |
| 6 | DA0400.2CZ | LOCKNUT | ALL | |
| 7 | 11143 | RETAINING RING, external | ALL | |
| 8 | N0110.3 | CLAMP (2) | ALL | Apr 2010 |
| 9 | 41731-88A | GASKET, caliper (2) | ALL | |
| 10 | 41733-88 | GASKET, master cylinder (2) | ALL | |
| 11 | 41739-84A | BOLT, master cylinder | ALL | |
| 12 | 45004-85 | COVER, master cylinder | ALL | |
| 13 | 45005-85 | GASKET, master cylinder cover | ALL | |
| 14 | 45016-93 | HAND LEVER, w/ 45423-92 | ALL | |
| 15 | 45019-93 | MASTER CYLINDER ASSEMBLY, w/ hand lever | ALL | |
| 16 | 45031-82A | PIN, stoplight switch & pushrod | ALL | |
| 17 | 45032-82 | PIN, handlever | ALL | |
| 18 | 45042-82 | FLUID LEVEL WINDOW KIT | ALL | |
| 19 | 45044-82 | CLAMP, master cylinder | ALL | |
| 20 | 45051-82 | PUSHROD, stoplight switch & master cylinder | ALL | |
| 21 | 45072-87 | REPAIR KIT, master cylinder | ALL | |
| 22 | 41800214 | BRAKE LINE, front | ALL | |
| 23 | 45423-92 | BUSHING, pivot pin | ALL |