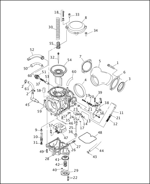
| 1 |
3275
|
SCREW (4) |
ALL |
|
| 2 |
10014
|
CLAMP |
ALL |
|
| 3 |
26995-86B
|
SEAL, intake manifold (2) |
ALL |
|
| 4 |
27002-89
|
SEAL RING, carburetor |
ALL |
|
| 5 |
27004-88A
|
INTAKE MANIFOLD KIT, w/ 26995-86B & 27002-89 |
ALL |
|
| 6 |
27009-86A
|
MOUNTING FLANGE, front |
ALL |
|
| 7 |
27010-86A
|
MOUNTING FLANGE, rear |
ALL |
|
| 8 |
27040-88
|
TOP, carburetor |
S2 1995 |
|
|
27261-96
|
TOP, carburetor |
S2 1996, S2T |
|
| 9 |
27100-88
|
NEEDLE JET |
ALL |
|
| 10 |
27101-88
|
NEEDLE JET HOLDER |
ALL |
|
| 11 |
27122-89
|
ROD |
ALL |
|
| 12 |
27123-89A
|
SPRING |
ALL |
|
| 13 |
27124-89
|
E-CLIP |
ALL |
|
| 14 |
27125-89
|
WASHER |
ALL |
|
| 15 |
27126-89
|
LEVER |
ALL |
|
| 16 |
27127-89
|
WASHER |
ALL |
|
| 17 |
27128-89
|
PIN (2) |
ALL |
|
| 18 |
27129-88
|
SCREW, top (3) |
S2 1995 |
|
| 19 |
27130-90
|
IDLE SCREW |
ALL |
|
| 20 |
27136-90A
|
SPRING |
ALL |
|
| 21 |
27137-81
|
WASHER (3) |
ALL |
|
| 22 |
27146-89
|
SCREW, w/ washer (3) |
ALL |
|
| 23 |
27147-89
|
COLLAR |
ALL |
|
| 24 |
27148-89
|
WASHER |
ALL |
|
| 25 |
27156-89
|
ROD |
ALL |
|
| 26 |
27157-89
|
O-RING |
ALL |
|
| 27 |
27158-89
|
DRAIN SCREW |
ALL |
|
| 28 |
27159-92
|
FLOAT CHAMBER ASSEMBLY |
ALL |
|
| 29 |
27160-89
|
PUMP HOUSING |
ALL |
|
| 30 |
27162-89
|
SPRING |
ALL |
|
| 31 |
27185-90
|
MAIN JET |
ALL |
|
| 32 |
27279-93
|
JET, needle |
ALL |
|
| 33 |
27262-96
|
SCREW, shouldered (3) |
S2 1996, S2T |
|
| 34 |
27263-96
|
COLLAR, carb top |
S2 1996, S2T |
|
| 35 |
27281-92
|
SLOW JET |
ALL |
|
| 36 |
27311-76
|
CAP, accelerator pump (rubber) |
ALL |
|
| 37 |
27315-88A
|
SPRING |
ALL |
|
| 38 |
27316-88
|
BRACKET |
ALL |
|
| 39 |
27317-88
|
SCREW |
ALL |
|
| 40 |
27360-76
|
O-RING |
ALL |
|
| 41 |
27361-76A
|
DIAPHRAGM, accelerator pump |
ALL |
|
| 42 |
27362-76
|
SPRING, diaphragm |
ALL |
|
| 43 |
27368-76
|
CLIP, overflow hose |
ALL |
|
| 44 |
27369-76
|
HOSE, overflow, w/ clip |
ALL |
|
| 45 |
27371-76A
|
FITTING |
ALL |
|
| 46 |
27575-88A
|
PIN |
S2 1996, S2T |
|
| 47 |
27576-92
|
FLOAT |
ALL |
|
| 48 |
27577-92
|
O-RING |
S2 1996, S2T |
|
| 49 |
27579-88A
|
SCREW (4) |
ALL |
|
| 50 |
27580-88
|
CABLE GUIDE |
S2 1996, S2T |
|
| 51 |
27581-88
|
STARTER CAP |
ALL |
|
| 52 |
27582-88
|
CABLE SEALING CAP |
S2 1996, S2T |
|
| 53 |
27583-88
|
STARTER VALVE |
ALL |
|
| 54 |
27585-88
|
VACUUM PISTON |
S2 1996, S2T |
|
| 55 |
27586-88
|
SPRING SEAT |
ALL |
|
| 56 |
27587-88
|
SCREW |
S2 1996, S2T |
|
| 57 |
27886-78A
|
VALVE, w/ clip |
ALL |
|
| 58 |
27079-84
|
CAP |
ALL |
|
| 59 |
27486-92A
|
CARBURETOR |
ALL |
|
| 60 |
26570-84
|
HOSE, 3/16 I.D. x 3/8 O.D. (rubber) (10 ft. length) |
S2 1996, S2T |
|
| 61 |
63501-68B
|
HOSE, 1/4 I.D. x 1/2 O.D. (rubber) (25 ft. length) |
ALL |
|